全国免费咨询热线:17317317121(微信同号)
橡胶空气弹簧的工作原理
来源:上海松夏减震器有限公司????发布时间:2016-03-24 10:31
橡胶空气弹簧的工作原理:是在密闭的压力缸内充入惰性气体或者油气混合物,使腔体内的压力高于大气压的几倍或者几十倍,利用活塞杆的横截面积小于活塞的横截面积从而产生的压力差来实现活塞杆的运动。由于原理上的根本不同,气弹簧比普通弹簧有着很显著的优点:速度相对缓慢、动态力变化不大(一般在1:1.2以内)、容易控制;缺点是相对体积没有螺旋弹簧小,成本高、寿命相对短。
橡胶空气弹簧:在可伸缩的密闭容器中充以压缩空气,利用空气弹性作用的弹簧。俗 称橡胶气囊、橡胶气囊式气缸、橡胶皮囊气缸等。(空气弹簧;橡胶空气弹簧;空气隔振器气动执行机构)
福建橡胶充气囊宝马多少钱柴油发电机组的主要噪声源均为柴油机产生,包括排气噪声、机械噪声和燃烧噪声、冷却风扇和排风噪声、进风噪声、发电机噪声、地基振动的传递所产生的…
转向架工业空气弹簧企业互联网时代的到来,很多企业走电商之路,不少空气弹簧企业也坐不住了,纷纷开始“触电”。然而,部分品牌“触电”逐渐演变成形式主义??掌善笠敌琛?
天津橡胶密封气囊充气方法动平衡检测机发展迄今已经有一百多年的历史。直到上世纪末40年代,所有的平衡工序都是在采用纯机械的平衡设备上进行的。转子的平衡转速通常取振动系统…
甘肃橡胶水堵气囊是什么材质3、能够有效隔离各类卧式、立式水泵、风机、空调机组、发电机组、管道、等动力设备的振动,并保护及延长其使用寿命上海松夏减震器有限公司致力于风…
确定合理的橡胶空气弹簧参数 (1)橡胶空气弹簧工作原理 橡胶空气弹簧是一个内部充以一定压力氮气或空气的密闭容器,其基本功能是利用气体的可压缩性,随着吸入压力和排出压…
空气弹簧百度文库1、液压传动是以液体作为橡胶橡胶空气弹簧介质来进行能量传递的一种传动形式,通过能量转换装置,将原动机的橡胶橡胶空气弹簧能转变为液体的压力能,然后通过…

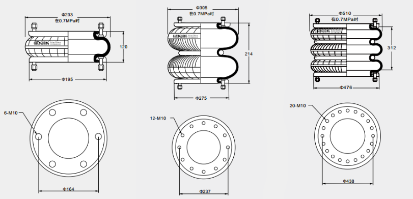
HF215/120-1法兰式橡胶空气弹簧,纠偏气囊 橡胶空气弹簧 产品介绍: 橡胶空气弹簧是一种由橡胶、网线贴合成的曲形胶囊,俗称橡胶气囊、橡胶空气弹簧、橡胶皮囊、橡胶气胎、波纹气..

ZF型自封式橡胶气囊(冲床设备专用)介绍: 自封式,是因其无需外力自行密封而得名。如图,用纤维层做补强处理的橡胶曲囊①在使用时,将防止膨胀的钢制(镀锌)腰环②嵌在其中。③盖..

ZF型自封式橡胶气囊(冲床设备专用)介绍: 自封式,是因其无需外力自行密封而得名。如图,用纤维层做补强处理的橡胶曲囊①在使用时,将防止膨胀的钢制(镀锌)腰环②嵌在其中。③盖..

HF150/076-2橡胶气囊 调偏专用纠偏气囊 橡胶气囊产品介绍: 橡胶空气弹簧是一种由橡胶、网线贴合成的曲形胶囊,俗称橡胶气囊、橡胶空气弹簧、橡胶皮囊、橡胶气胎、波纹气胎、皮老..
全国免费咨询热线:17317317121
上海松夏减震器有限公司 沪ICP备09066468号-13 网站地图 站点地图